Tel.:0632-5115110 /5115112
Mobile phone:+86-18906325332
Wechat:18906325332
Email:info@makemachinetools.com
Http://www.makemachinetools.com
Http://makemachinetools.en.made-in-china.com

·Dealing directly with the manufacture-no middle man!
·The most competitive pricing in the market.
·High quality control standards,such as ISO,CE
·Guaranteed delivery time.
·Prompt attention to the customer inquiries.
·Diverse services for your needs,including sourcing other machinery,inspection goods for you by our engineers,product process tracking and good delivery.
·Research and Development to meet the customer and the market need.
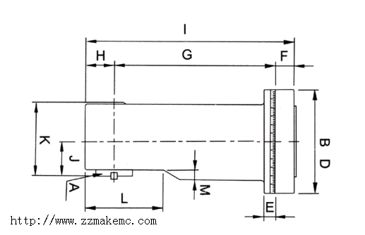
|
type |
A |
B |
C |
D |
E |
F |
G |
H |
I |
J |
K |
L |
M |
N |
Fit model |
|
A73 |
NT-50 |
Φ250 |
Φ170 |
5 |
25 |
45 |
390 |
70 |
505 |
77 |
165 |
190 |
23 |
165 |
V7,U12,T10 |